Vysokoteplotné odstredivé čerpadlo NORMIT HP (High-Temperature Process Pumps)
Spoločnosť NORMIT s.r.o. vyvíja a vyrába rôzne zariadenia pre potravinársky, kozmetický, farmaceutický, chemický priemysel a ďalšie priemyselné odvetvia. Sme lídrom na Slovenskom trhu vo výrobe zariadení pre potravinársky priemysel. Kladieme vysoké nároky na kvalitu výroby a venujeme osobitnú pozornosť zavádzaniu inovatívnych technológií.
pompa wirowa wysokotemperaturowa
high temperature centrifugal pump
Čerpadlo alebo pumpa je zariadenie, ktoré dodáva kinetickú energiu tekutine, ktorá cez čerpadlo preteká. Čerpadlo slúži na prepravu tekutých alebo plynných látok. V princípe využíva podtlak na vstupe a následne pretlak na výstupe.

Použitie:
- obeh horúceho oleja
- vo vykurovacích a klimatizačných systémoch
- v solárnych vykurovacích systémoch
- pre prečerpávanie teplej vody
- priemyselné cirkulačné zariadenia
- systémy studenej vody
- kotlové systémy
- systémy s variabilnou teplotou prietoku
- teplovodné vykurovanie
- chemický priemysel
- potravinársky priemysel
- farmaceutický priemysel
Procesy:
- transfer
- čerpanie
- cirkulácia
Riadenie:
Manuálne ovládanie je určené pre jednoduchšie stroje a technologické zariadenia, ktorých technologický proces nie je zložitý a preto nepotrebujú zložité programovanie. Jednoduché ovládanie pomocou tlačidla ON/OFF.
Výhody:

- Dlhodobo spoľahlivé
- Dlhá životnosť čerpadla
- Praktické čerpadlo
- Jednoduché ovládanie
- Odolnosť
- Jednoduchá údržba a čistenie
- Vysoko kvalitný materiál
- Vysoká účinnosť

- Stabilné prevádzkové parametre
- široký rozsah použitia
- nízka úroveň hluku
- plynulá regulácia otáčok
-
frekvenčný menič
- práca s vysokými teplotami (až 280°C)
Technické parametre:
|
Model
|
NORMIT HP 1,1 | NORMIT HP 1,2 | NORMIT HP 2,1 | NORMIT HP 1,3 | NORMIT HP 1,4 | NORMIT HP 2,2 |
| Objem, l | 1.14 | 1.2 | 2.1 | 1.3 | 1.4 | 2.2 |
| Priemer, mm (max) | 172 | 172 | 172 | 212 | 212 | 212 |
| Materiál | AISI 304 | |||||
| Maximálny tlak, bar | 3 | |||||
| Teplota produktu, °C | do 280 | |||||
|
Model
|
NORMIT HP 2,2 | NORMIT HP 3,1 | NORMIT HP 5,2 | NORMIT HP 3,3 | NORMIT HP 5,1 | NORMIT HP 6,9 |
| Objem, l | 2.2 | 3.1 | 5.2 | 3.3 | 5.1 | 6.9 |
| Priemer, mm (max) | 212 | 172 | 172 | 212 | 212 | 212 |
| Materiál | AISI 304 | |||||
| Maximálny tlak, bar | 3 | |||||
| Teplota produktu, °C | do 280 | |||||
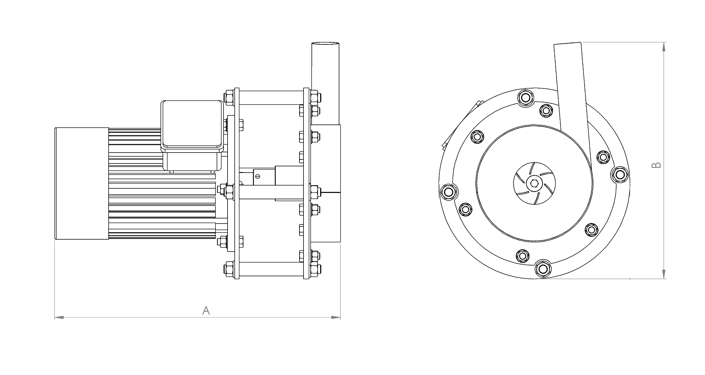
| Celkové rozmery, mm | NORMIT CP 1,1 | NORMIT CP 1,2 | NORMIT CP 2,1 | NORMIT CP 1,3 | NORMIT CP 1,4 | NORMIT CP 2,2 |
| A | 565 | 565 | 565 | 700 | 725 | 795 |
| B | 292 | 300 | 340 | 360 | 405 | 480 |
| Celkové rozmery, mm | NORMIT CP 2,2 | NORMIT CP 3,1 | NORMIT CP 5,2 | NORMIT CP 3,3 | NORMIT CP 5,1 | NORMIT CP 6,9 |
| A | 795 | 830 | 880 | 880 | 1010 | 1010 |
| B | 480 | 505 | 635 | 655 | 715 | 765 |


































.jpg)
























.jpg)



































